在能源变革与智能终端普及的双重驱动下,锂电池管理(BMS)芯片行业正迎来高速增长新周期。全球储能市场规模化、消费电子迭代以及多元轻型电动出行工具的爆发,共同构成了强劲而多元的增长引擎。根据相关行业研究报告,全球BMS芯片整体市场规模在2024年已达到约10.58亿美元,并预计将以20.4% 的年复合增长率持续扩张,到2031年将增长至38.15亿美元*1。而在更具体的工业与消费级应用赛道,增长同样显著。例如,工业级BMS AFE芯片市场预计将从2026年的5.82亿美元增长至2032年的12.2亿美元,年复合增长率约为12.89%*2。
在这一广阔市场中,杭州晶华微电子股份有限公司(股票代码:688130)凭借在数模混合信号芯片领域的深厚积累与自有高压BCD工艺,聚焦多节锂电池管理芯片的研发与创新,已成功推出覆盖BMS AFE、硬件保护、电量计系列产品,并通过持续的功能优化实现关键技术突破。公司以高性价比产品精准匹配储能、电摩、两轮车、滑板车、特种车辆、智能清洁、电动工具等多元终端需求,获得了市场与客户的广泛认可,持续为产业发展注入创新动力。

典型产品介绍 BMS AFE 芯片

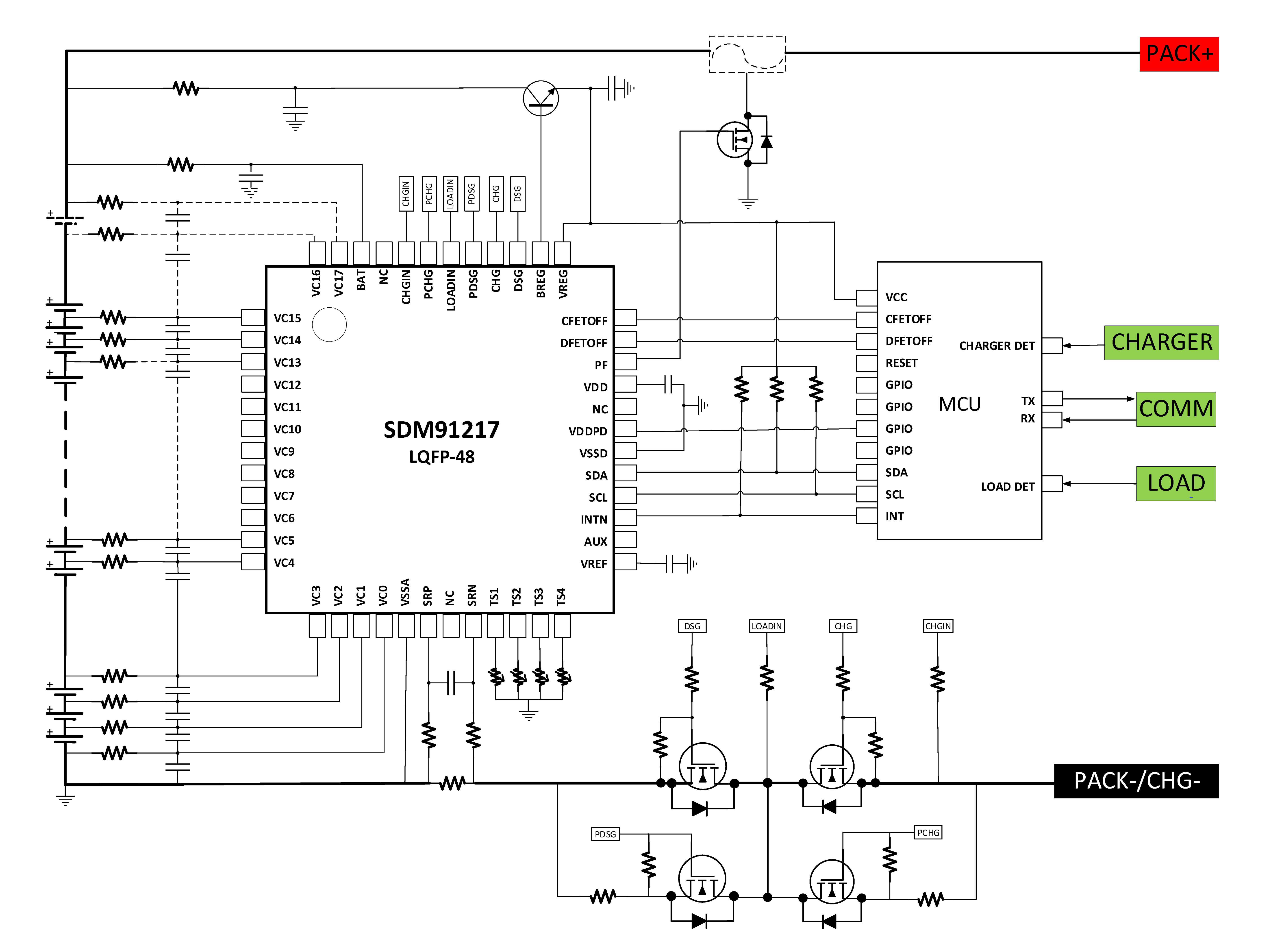
SDM91217是一颗支持 7~17 串锂、钠离子电池的高集成度、高性能、高精度监控和保护芯片。集成两路独立的高精度Σ -Δ ADC, 对电压,电流和温度进行精准测量。同时集成硬件电压,电流保护, PF 保护等功能,提升电池包的安全可靠性,以及提升 HOST 对SOC/SOH 的计算精度。可应用于电动两轮车、 通信储能、 家用储能、 便携储能、园林工具、割草机、无人机等。
高精度AFE,支持 7~17 串锂/钠电池监控和保护
集成两路独立的Σ-Δ ADC(16位用于电压,20位用于电流)
4 路温度测量通道
BUS-BAR 功能
支持乱序上电
支持断线保护检测,以及 NTC 断线保护检测
集成均衡开关和均衡超时、 过热保护
超高 ESD 防护能力,HBM ±4kV
支持最高400kHz的I2C通信
Power Mode,超低功耗

SDM91217 应用框图

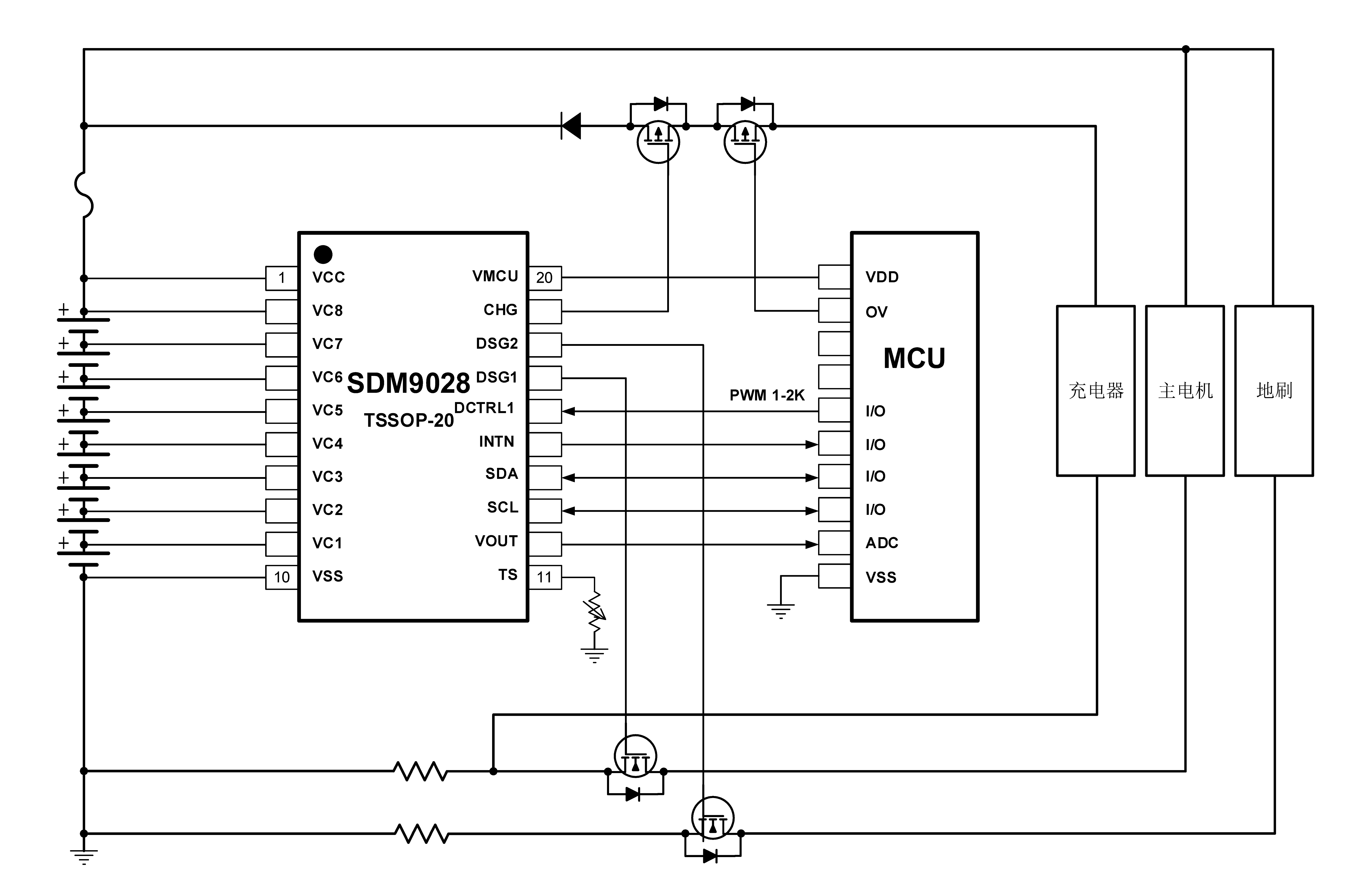
SDM9028是一颗集成 OV/UV/OT/UT 保护功能,同时集成均衡功能的 5~8 串锂离子AFE 芯片。提供 1~8 串电池电压的电平转换电路,可将单节电池电压以相同的增益,转换为以地为基准的模拟电压信号,并以 0.5 倍分压输出。本产品的技术规格更加适用于 5~8 串的吸尘器,洗地机应用,所集成的二级硬件保护,有助于满足安规认证要求。也可应用于电动工具、园林工具、两轮车、高功率移动电源等。
模拟电压输出 VOUT
NTC电压模拟输出
内置高精度保护电路
集成均衡电路,需要MCU发送指令控制每一节电芯均衡
集成I2C通讯100kHz
吸尘器专用的2路DFET放电驱动
集成3.3V或5V LDO,VCC电压大于8.5V驱动能力可达30mA
节间耐压-30V to 50V
低运行功耗
超高ESD防护能力,HBM ±4kV

SDM9028 应用框图

AFE 选型表
典型产品介绍 库仑计芯片

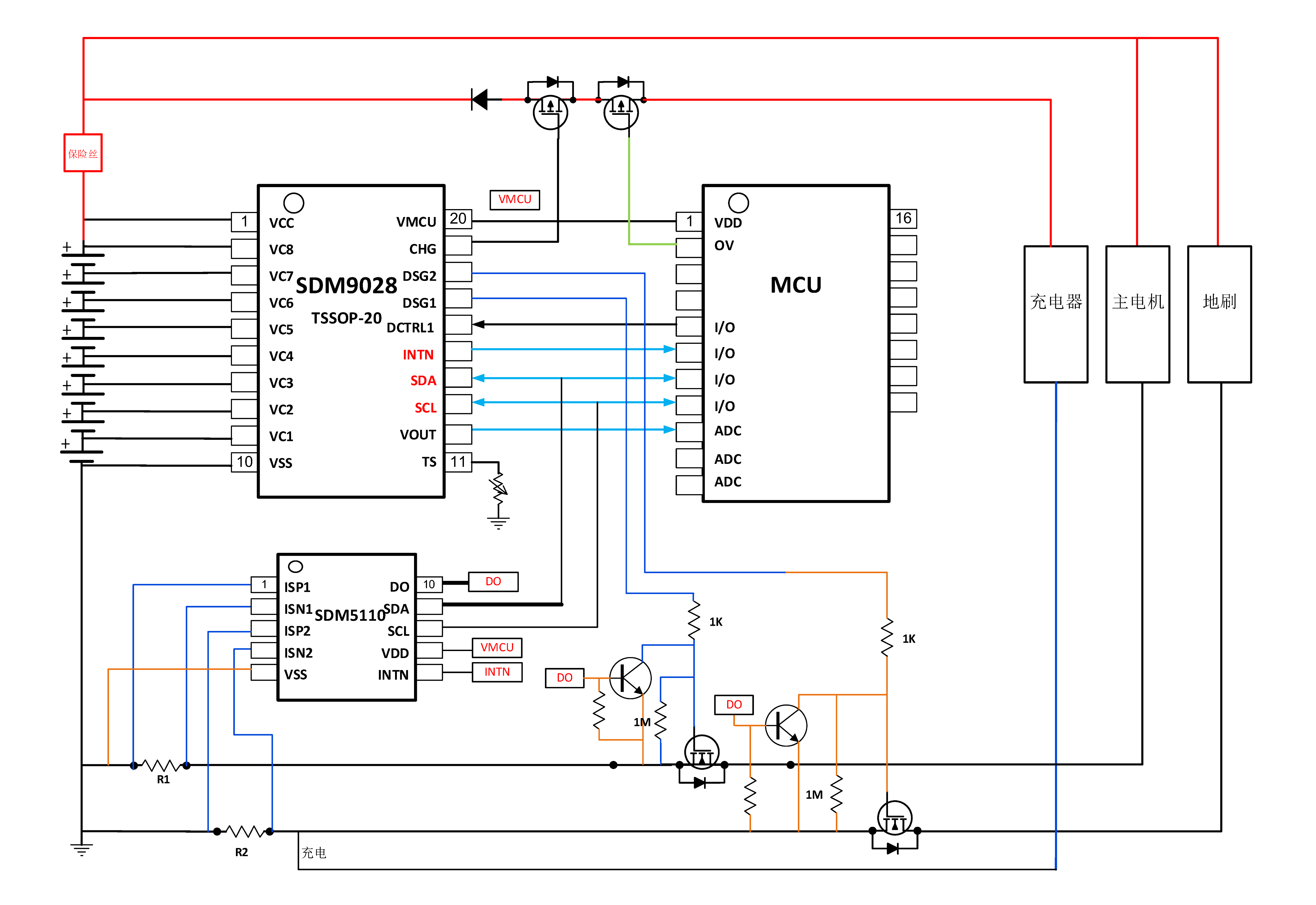
SDM5110是一颗集成过流、短路保护的库仑计芯片。主要配合电池模拟电压输出类型的 AFE 工作,向 MCU 提供实时的电流积分,便于 BMS 系统实现更精准的电量计算,同时集成的过流和短路保护,可增强系统的安全可靠性,节省外围设计电路和降低系统成本。 可应用于吸尘器、洗地机、电动工具、园林工具等产品。
集成2路电流采样(均支持库仑计)
集成高精度过流数字比较器,支持主电机回路和地刷回路
集成短路保护,支持主电机和地刷回路独立设定短路保护
集成一路短路保护输出信号DO
集成I2C通讯,可配置和读取寄存器,支持ADC诊断功能
集成INTN中断信号
超低功耗

SDM5110 应用框图

电量计芯片选型表
典型产品介绍 硬件保护芯片

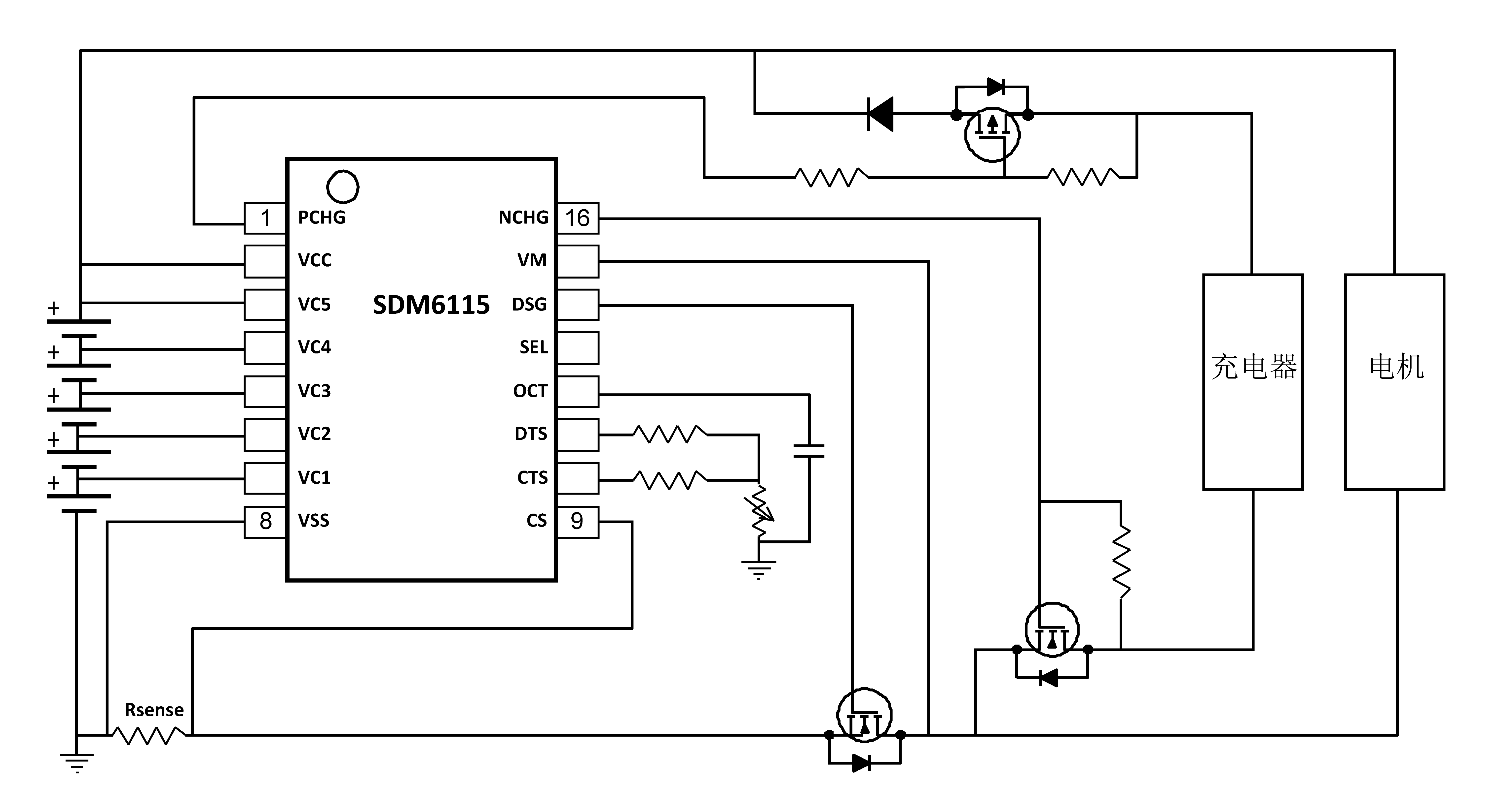
SDM6115是一颗支持 3~5 串锂电池应用, 集成 OV/UV/LV/OW/OC/SC/OT/UT/等的高精度硬件全保护芯片。 集成高精度的硬件电压保护、 电流保护和温度保护功能, 可独立完成过压 OV, 欠压 UV, 放电一级过流DOC1, 放电二级过流 DOC2, 短路保护 SC,以及充电过温 COT, 充电低温 CUT, 放电过温DOT, 放电低温 DUT 等保护和解保护动作。通过 SEL PIN 的电平, 用户可灵活配置 3/4/5串的应用, 极大的提升了用户的备货便利性。 可应用于电动工具、UPS后备电源、移动电源、扫地机器人等产品。
高精度电压检测功能
3段放电过电流保护功能
4个温度保护点,精度±3℃
充电过流保护电功能
过流延时可调
支持断线检测和保护
支持乱序上电
节间耐压 -20 ~ +30V
低压禁充电压1.2V
低电流消耗

SDM6115 应用框图

硬件保护芯片选型表
典型成功案例 晶华微 BMS AFE
家储、户储、便携式储能方案
AFE:SDM91217
精密运放:SDA8102


该方案面向48V系统平台设计,可精准管理17串电池,支持100A持续电流及多板并联扩展,单系统可满足最高5kWh的储能容量需求。
核心管理与保护:集成高精度电池监控与硬件保护功能,内置先进的充电限流模块与高精度SOC/SOH估算算法,确保系统安全与状态可信。
智能充放电控制:搭载晶华微擅长的智能充放电算法,通过实时监控电池状态动态调节电流,有效延长电池循环寿命。
扩展与通信:具备自动寻址与手动拨码功能,灵活支持多机并联;全面提供CAN、RS-485、串口等工业标准通信接口,便于系统集成。
特点:
电池类型:三元锂、磷酸铁锂、钠离子
电池串数:10~17S
工作电流:100A
均衡电流:80mA
过流保护:可配置
短路保护:可配置
电芯温度保护:✔
MOS温度保护:✔
预放:✔
并机限流:10A
蓝牙:✔
两轮电动车方案
AFE:SDM91217
MCU:CBM7816


该方案采用高度集成与灵活的设计,适用于10-17串电池组,充放电电流高达60-80A,并兼容NCM与LFP等多种电芯。
全栈式功能集成:方案集成了模拟前端(AFE)信息采集、保护电路、MCU计算单元、充放电功率MOSFET驱动,并可扩展BT/Wi-Fi或RS-485通信模块。
实时监控与安全保护:对电池电压、电流、温度进行实时采集与上报,并依据用户参数自主执行保护策略,在异常时及时关断,保障安全。
高通用性设计:采用低边驱动同口设计,硬件配置灵活,能够根据具体车型和电池包需求进行快速适配。
特点:
电池类型:三元锂
电池串数:13S
工作电流:40~80A
均衡电流:80mA
过流保护:✔
短路保护:✔
电芯温度保护:✔
MOS温度保护:✔
通信:UART 、485
蓝牙:可选
结语
在当前BMS芯片下游应用多元化、高增长的趋势下,行业正沿着“规模扩张”与“质量升级”双主线同步推进。电摩、两轮车、特种车辆,以及储能、智能清洁等工业与消费级需求持续涌现,不断拓宽市场空间。基于此,晶华微电子凭借扎实的技术积累,已构建覆盖单节高精度锂电保护芯片、3-17串BMS模拟前端芯片和电量计芯片的完整解决方案,为上述多元场景提供高可靠性解决方案。
展望未来,晶华微将持续深耕储能、轻型电动出行等核心领域,致力于开发更高精度、更高串数、更高集成度并支持云端通信的智能BMS平台解决方案,以持续创新的产品与技术,助力客户增强终端竞争力,携手拓展更广阔的产业未来。
注*1:QYResearch:Global BMS Chips Sales Market Report, Competitive Analysis and Regional Opportunities 2025-2031
注*2:RESEARCH AND MARKETS:Industry Grade BMS AFE Market - Global Forecast 2026-2032