天眼查显示,京东方科技集团股份有限公司近日取得一项名为“超声检测电路及其驱动方法、超声检测装置”的专利,授权公告号为CN116643258B,授权公告日为2025年10月17日,申请日为2023年5月26日。

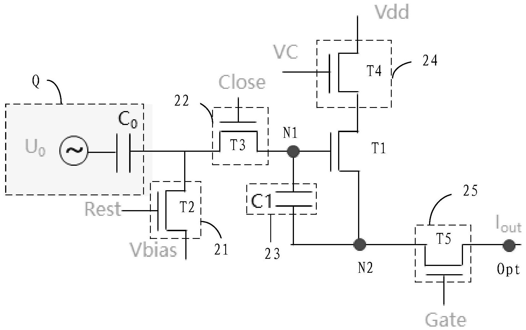
超声检测电路及其驱动方法、超声检测装置,涉及超声检测技术领域。超声检测电路包括:复位模块、采集模块、驱动晶体管、存储模块、补偿模块以及读取模块;所述复位模块分别与复位控制端、复位信号端以及第一节点连接;所述采集模块与采集控制端、超声波传感器以及所述第一节点连接;所述驱动晶体管,控制极与所述第一节点连接,第一极与所述补偿模块连接,第二极与第二节点连接;所述存储模块分别与所述第一节点以及所述第二节点连接;所述补偿模块还与补偿控制端以及第一电压端连接;所述读取模块分别与读取控制端、所述第二节点以及输出端连接。